拉普拉斯获得实用新型专利授权:“升降机构及预热装置”
作者:小微
发表于:2025年04月08日
浏览量:59471

图片来源于网络,如有侵权,请联系删除
证券之星消息,根据天眼查APP数据显示拉普拉斯(688726)新获得一项实用新型专利授权,专利名为“升降机构及预热装置”,专利申请号为CN202421386625.1,授权日为2025年4月8日。
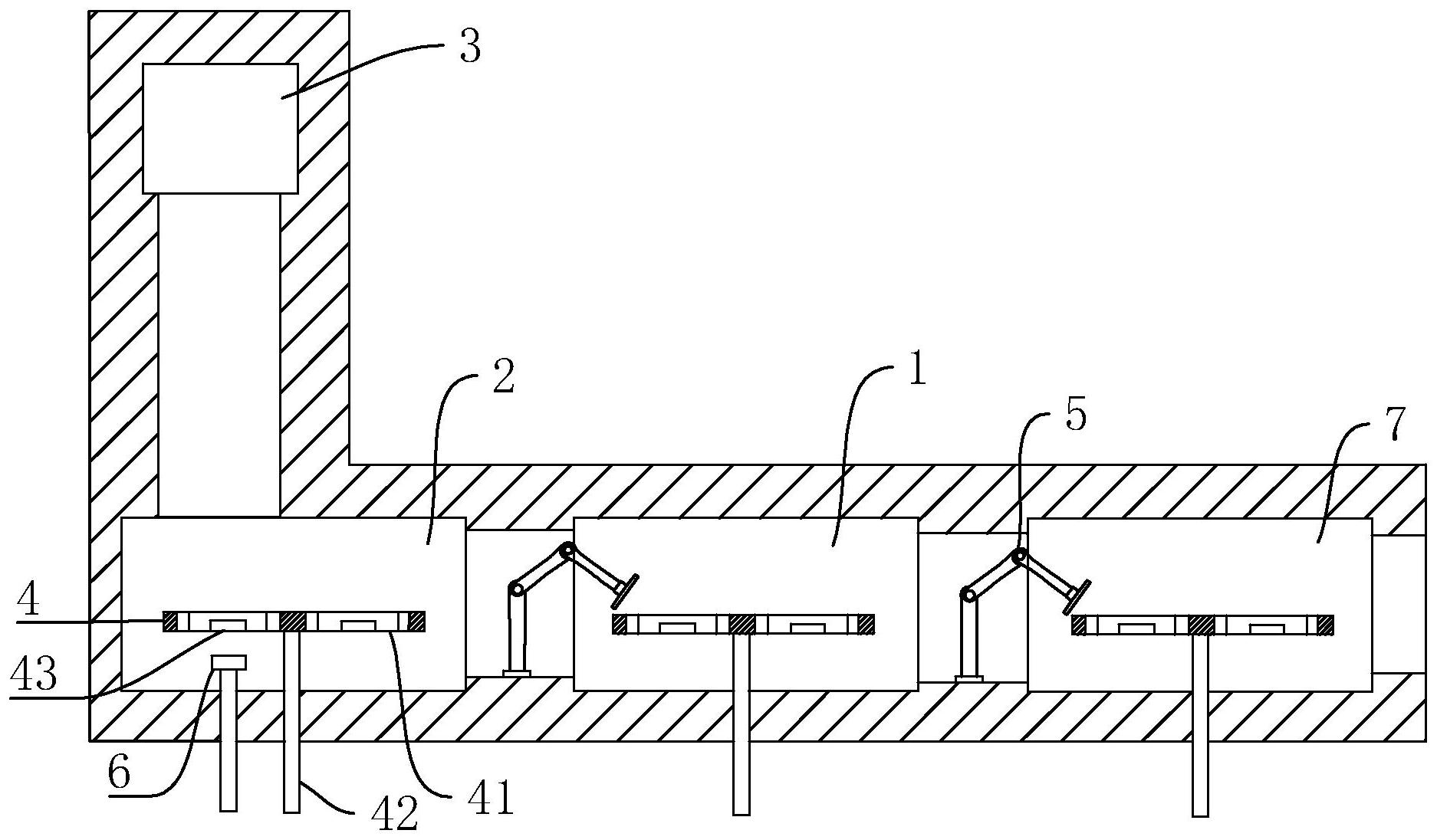
专利摘要:本申请提供一种升降机构及预热装置,预热装置包括预热舱,预热舱用于加热片状材料,预热舱包括沿竖直方向设置的预热位置和传输位置,预热位置为片状材料加热时在预热舱内的位置,传输位置用于对接与预热舱连通的反应舱,升降机构设置于预热舱内,升降机构包括:升降组件,可移动地设置于预热舱,且用于承接片状材料;升降驱动组件,与升降组件连接,且用于驱动升降组件移动,以使片状材料移动至预热位置,以及驱动升降组件移动,以使片状材料移动至所传输位置。通过本申请提供的升降机构和预热装置,升降组件可以使承接的片状材料移动至靠近预热件的位置进行加热,可以提高对片状材料的加热效果,以及可以提高片状材料完成镀膜加工的效率。

图片来源于网络,如有侵权,请联系删除
今年以来拉普拉斯新获得专利授权51个。结合公司2024年中报财务数据,2024上半年公司在研发方面投入了1.73亿元,同比增57.18%。

图片来源于网络,如有侵权,请联系删除
数据来源:天眼查APP
以上内容为证券之星据公开信息整理,由智能算法生成(网信算备310104345710301240019号),不构成投资建议。
