安徽合力获得发明专利授权:“一种用于叉车液压制动系统的调节装置”
作者:小微
发表于:2025年05月10日
浏览量:71488

图片来源于网络,如有侵权,请联系删除
证券之星消息,根据天眼查APP数据显示安徽合力(600761)新获得一项发明专利授权,专利名为“一种用于叉车液压制动系统的调节装置”,专利申请号为CN202110592937.2,授权日为2025年5月9日。
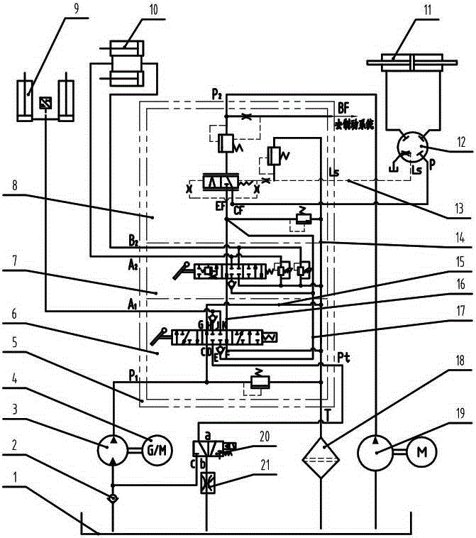
专利摘要:本发明属于叉车液压制动系统的技术领域,具体涉及一种用于叉车液压制动系统的调节装置,包括储气罐、储油罐、制动泵、滞后调节阀、可调式前残留阀和可调式后残留阀;制动泵的进油口通过管道连通着储油罐的出油口,制动泵的出油口通过管道连通着滞后调节阀的进口,滞后调节阀的出口分为两路,一路通过管道连通着后残留阀,另一路通过管道连通着前残留阀;使得制动泵的液压油经滞后调节阀的调节先后进入到后残留阀和前残留阀,形成前、后轮的制动时间差,以调节整车刹车时的平稳性;同时前、后残留阀在释放制动时,前、后车轮到前、后残留阀之间的管路中残存一定的压力,使得制动蹄片不完全回位,提高下一次制动的灵敏性。
今年以来安徽合力新获得专利授权152个,较去年同期增加了31.03%。结合公司2024年年报财务数据,2024年公司在研发方面投入了10.86亿元,同比增14.02%。
数据来源:天眼查APP
以上内容为证券之星据公开信息整理,由AI算法生成(网信算备310104345710301240019号),不构成投资建议。
