上能电气获得发明专利授权:“基于负极预充的预充电电路以及飞跨电容三电平变换器”
作者:小微
发表于:2025年06月14日
浏览量:62138

图片来源于网络,如有侵权,请联系删除
证券之星消息,根据天眼查APP数据显示上能电气(300827)新获得一项发明专利授权,专利名为“基于负极预充的预充电电路以及飞跨电容三电平变换器”,专利申请号为CN202110658419.6,授权日为2025年6月13日。
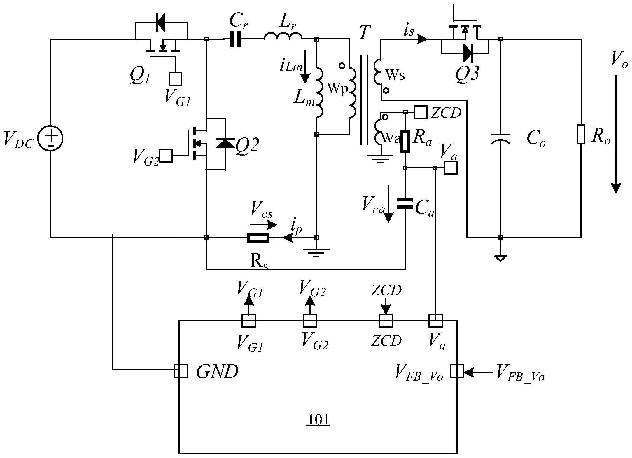
专利摘要:本发明提供了基于负极预充的预充电电路,包括充电模块,包括第一钳位二极管、第二钳位二极管、第一开关、软启动单元和第二开关,第一钳位二极管的正极用于连接于第一电容与第二电容之间,第一钳位二极管的负极用于与飞跨电容的正极连接,第二钳位二极管的负极与第一钳位二极管的正极连接,第二钳位二极管的正极用于与飞跨电容的负极连接,第一开关的一端用于与飞跨电容的负极连接,第一开关的另一端与负母线连接,第二开关与正母线的两侧串联,软启动单元与第二开关并联,软启动单元闭合后用于对两侧的母线充电,第一开关和第二开关闭合后用于对飞跨电容充电。本发明通过软启动单元对两侧母线充电后,闭合第一开关和第二开关对飞跨电容充电。

图片来源于网络,如有侵权,请联系删除
今年以来上能电气新获得专利授权28个,较去年同期增加了133.33%。结合公司2024年年报财务数据,2024年公司在研发方面投入了2.9亿元,同比增7.96%。

图片来源于网络,如有侵权,请联系删除
数据来源:天眼查APP
以上内容为证券之星据公开信息整理,由AI算法生成(网信算备310104345710301240019号),不构成投资建议。
