新兴铸管获得实用新型专利授权:“一种烧结风箱压力取压装置”
作者:小微
发表于:2025年06月20日
浏览量:81462

图片来源于网络,如有侵权,请联系删除
证券之星消息,根据天眼查APP数据显示新兴铸管(000778)新获得一项实用新型专利授权,专利名为“一种烧结风箱压力取压装置”,专利申请号为CN202422096673.3,授权日为2025年6月20日。
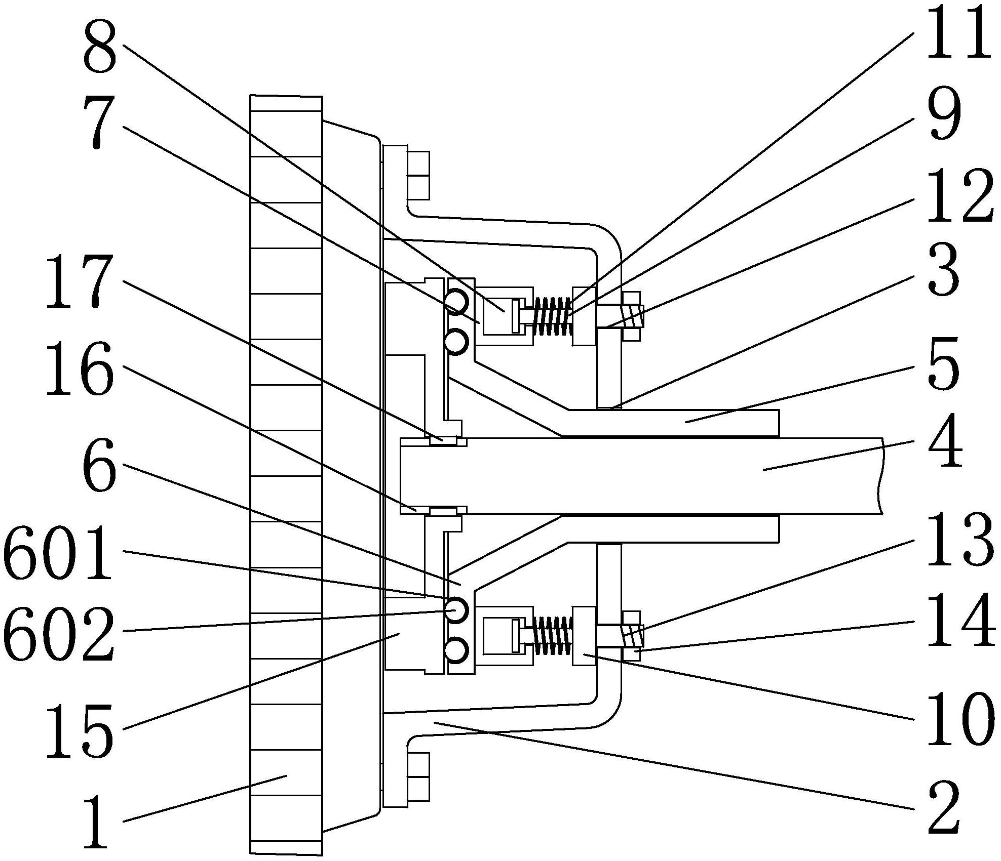
专利摘要:本实用新型涉及压力仪表技术领域,具体涉及一种烧结风箱压力取压装置,其包括压力变送器,压力变送器用于将压力转换为可视信号,压力变送器下端具有取压管道,取压管道用于连通压力变送器和风箱,取压管道包括三通管件,三通管件水平方向一侧设有弯头,定义弯头所在侧为右侧,弯头上端连接压力变送器;三通管件上端设有密封堵头,三通管件下端设有球阀以连接风箱并控制取压管道内压力气流的通断;通过在压力变送器和风箱之间设置三通管件和弯头,在保证压力变送器垂直安装的同时,降低了粉尘进入压力变送器的概率,进而能够保障压力变送器的数据正常有效;另外密封堵头的设置便于操作人员检查和疏通取压管道的封堵情况,提高了操作的便捷性。

图片来源于网络,如有侵权,请联系删除
今年以来新兴铸管新获得专利授权78个,较去年同期增加了200%。结合公司2024年年报财务数据,2024年公司在研发方面投入了3.65亿元,同比减3.25%。

图片来源于网络,如有侵权,请联系删除
通过天眼查大数据分析,新兴铸管股份有限公司共对外投资了44家企业,参与招投标项目32210次;财产线索方面有商标信息43条,专利信息3051条,著作权信息65条;此外企业还拥有行政许可73个。
数据来源:天眼查APP
以上内容为证券之星据公开信息整理,由AI算法生成(网信算备310104345710301240019号),不构成投资建议。
