甬矽电子获得实用新型专利授权:“引脚焊头和焊接设备”
作者:小微
发表于:2025年06月20日
浏览量:65508

图片来源于网络,如有侵权,请联系删除
证券之星消息,根据天眼查APP数据显示甬矽电子(688362)新获得一项实用新型专利授权,专利名为“引脚焊头和焊接设备”,专利申请号为CN202422158502.9,授权日为2025年6月20日。
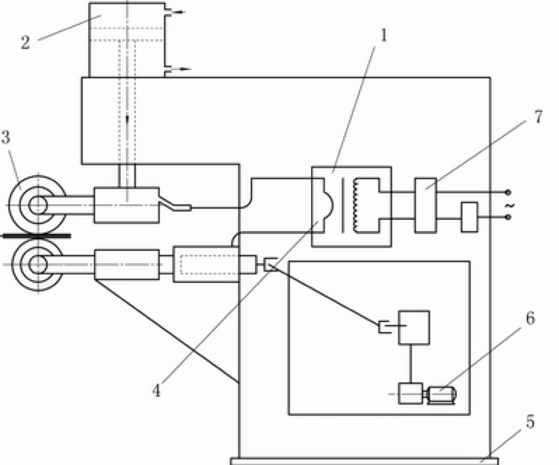
专利摘要:本实用新型提供一种引脚焊头和焊接设备,涉及封装焊接技术领域,该引脚焊头包括焊接座和加热块,焊接座的底侧设置有焊接避让槽,焊接避让槽用于避让电路板上的插件引脚,且焊接座的底侧中部设置有焊接弧槽,焊接弧槽与焊接避让槽连通,加热块设置在焊接座上,并用于加热焊接弧槽,焊接弧槽具有弧形焊接面,弧形焊接面用于接合至插件引脚处的焊料,并将插件引脚焊接在电路板上。相较于现有技术,本实用新型提供的引脚焊头,由于采用了焊接避让槽和焊接弧槽实现限位,避免了焊接过程中插件引脚发生较大位移,避免了过孔焊接偏移的问题,提升焊接精度,通化市利用焊接弧槽形成预设的弧形焊接部位,有效控制焊料扩散范围,避免焊料扩散范围过大。
今年以来甬矽电子新获得专利授权40个,较去年同期增加了100%。结合公司2024年年报财务数据,2024年公司在研发方面投入了2.17亿元,同比增49.29%。
通过天眼查大数据分析,甬矽电子(宁波)股份有限公司共对外投资了6家企业,参与招投标项目33次;财产线索方面有商标信息162条,专利信息415条,著作权信息7条;此外企业还拥有行政许可21个。
数据来源:天眼查APP
以上内容为证券之星据公开信息整理,由AI算法生成(网信算备310104345710301240019号),不构成投资建议。
