首钢股份获得发明专利授权:“一种高炉炉顶布料装置中心部件拆卸装置及拆卸方法”
作者:小微
发表于:2025年06月21日
浏览量:69317

图片来源于网络,如有侵权,请联系删除
证券之星消息,根据天眼查APP数据显示首钢股份(000959)新获得一项发明专利授权,专利名为“一种高炉炉顶布料装置中心部件拆卸装置及拆卸方法”,专利申请号为CN202211222152.7,授权日为2025年6月20日。
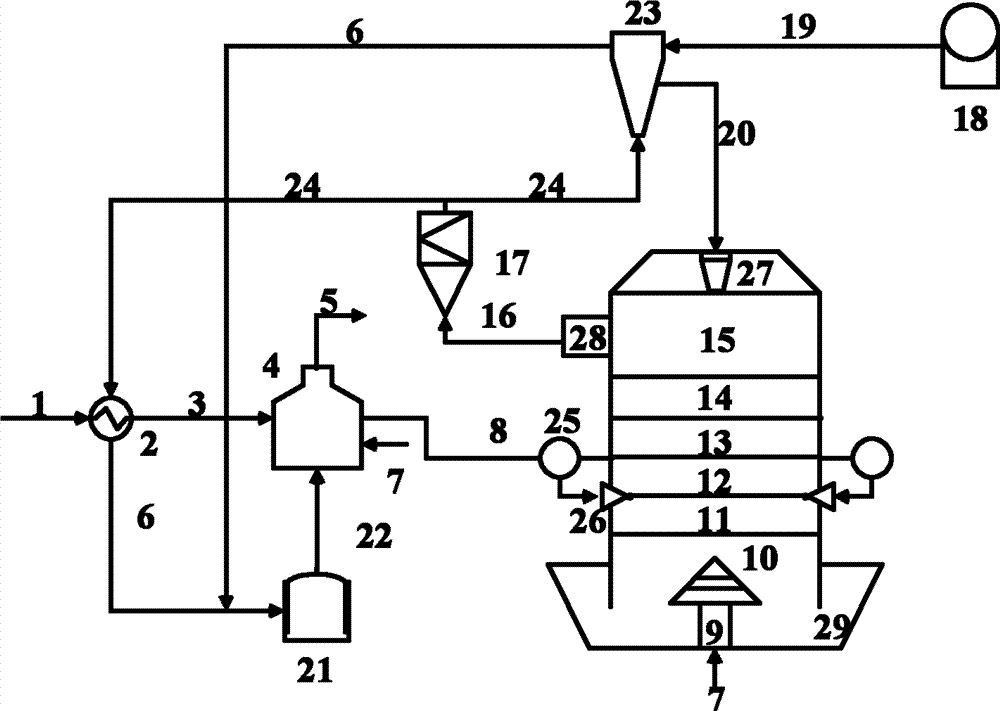
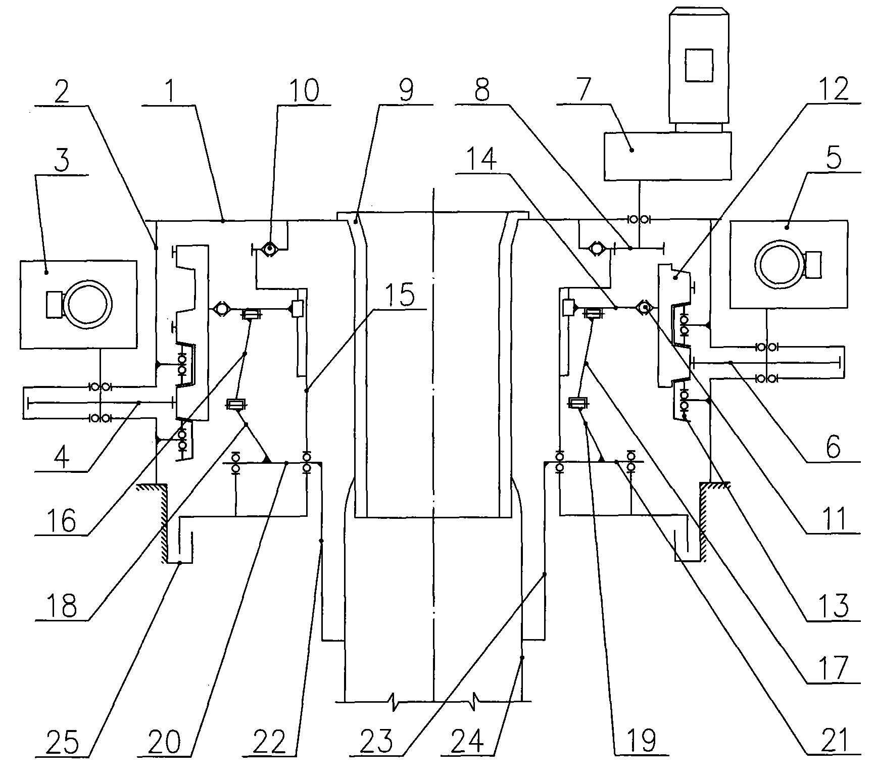
专利摘要:本申请提供一种高炉炉顶布料装置中心部件拆卸装置及拆卸方法,涉及高炉冶金设备技术领域,包括连接件、顶梁、顶出件和吊板;顶出件设有若干个,顶出件设于顶梁上,并与顶梁可拆卸式连接;吊板设于顶梁上,并与顶梁连接;连接件、顶梁、吊板依次设置、连接。本申请提供一种高炉炉顶布料装置中心部件拆卸装置,可以大大提高检修作业效率,避免了因布料装置中心喉管更换困难造成的检修时间严重拖后对高炉产量带来的影响,保证了高炉的正常送风生产秩序;本申请适用于各类大型及特大型高炉炉顶布料装置中心喉管的更换,避免了高炉炉顶布料装置中心喉管因更换困难带病长期作业,磨漏后对高炉生产带来的严重影响,保证了高炉的顺稳生产。

图片来源于网络,如有侵权,请联系删除
今年以来首钢股份新获得专利授权49个,较去年同期减少了22.22%。结合公司2024年年报财务数据,2024年公司在研发方面投入了5.33亿元,同比增8.48%。
通过天眼查大数据分析,北京首钢股份有限公司共对外投资了17家企业,参与招投标项目14019次;财产线索方面有商标信息2条,专利信息2164条,著作权信息10条;此外企业还拥有行政许可10个。
数据来源:天眼查APP
以上内容为证券之星据公开信息整理,由AI算法生成(网信算备310104345710301240019号),不构成投资建议。
