潍柴动力获得发明专利授权:“发动机控制方法及车辆”
作者:小微
发表于:2025年06月21日
浏览量:53782

图片来源于网络,如有侵权,请联系删除
证券之星消息,根据天眼查APP数据显示潍柴动力(000338)新获得一项发明专利授权,专利名为“发动机控制方法及车辆”,专利申请号为CN202310229864.X,授权日为2025年6月20日。
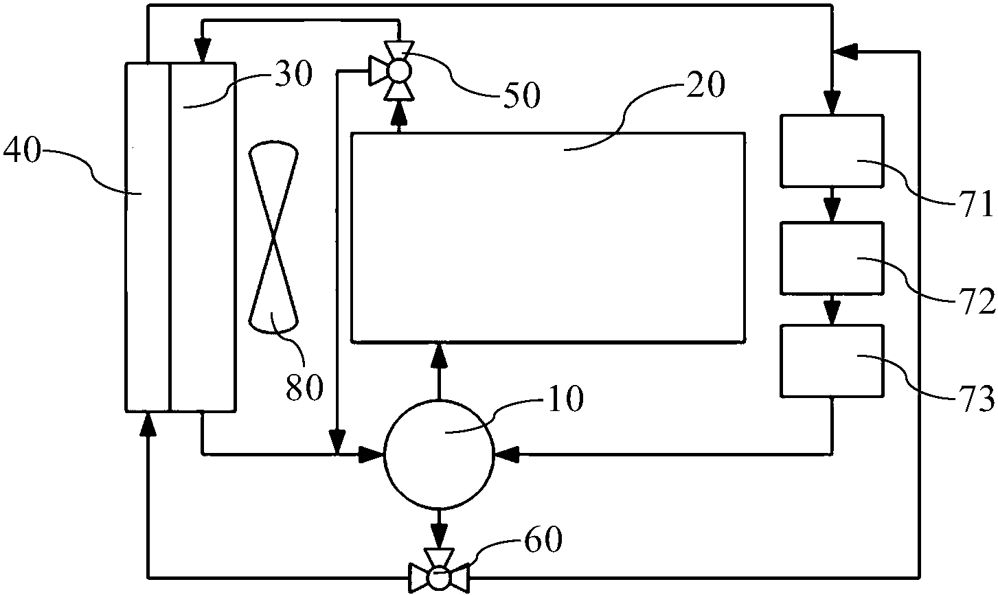
专利摘要:本发明属于车辆技术领域,公开了发动机控制方法及车辆,该发动机控制方法包括:实时获取DPF压差和DPF内的废气体积流量,根据DPF压差和DPF内的废气体积流量,得到DPF流阻和DPF流阻的变化率,实时获取发动机实际排气温度,当发动机实际排气温度大于等于设定温度,且DPF流阻降低的持续时间大于等于第一标定时间限值时,根据DPF流阻的变化率,判断DPF是否存在过滤失效风险;同时,根据DPF流阻,判断DPF是否存在过滤失效风险;若任一判定结果为DPF存在过滤失效风险,就调整发动机的燃烧参数以使DPF的被动再生和DPF内积碳维持平衡。能够更加准确地预测DPF是否存在过滤失效的风险,并及时采取措施。

图片来源于网络,如有侵权,请联系删除
今年以来潍柴动力新获得专利授权451个,较去年同期减少了33.87%。结合公司2024年年报财务数据,2024年公司在研发方面投入了82.99亿元,同比增3.16%。
通过天眼查大数据分析,潍柴动力股份有限公司共对外投资了64家企业,参与招投标项目12347次;财产线索方面有商标信息1219条,专利信息15452条,著作权信息611条;此外企业还拥有行政许可764个。
数据来源:天眼查APP
以上内容为证券之星据公开信息整理,由AI算法生成(网信算备310104345710301240019号),不构成投资建议。
