良信股份获得实用新型专利授权:“一种隔离型转换开关”
作者:小微
发表于:2025年06月27日
浏览量:62970

图片来源于网络,如有侵权,请联系删除
证券之星消息,根据天眼查APP数据显示良信股份(002706)新获得一项实用新型专利授权,专利名为“一种隔离型转换开关”,专利申请号为CN202520917730.1,授权日为2025年6月27日。
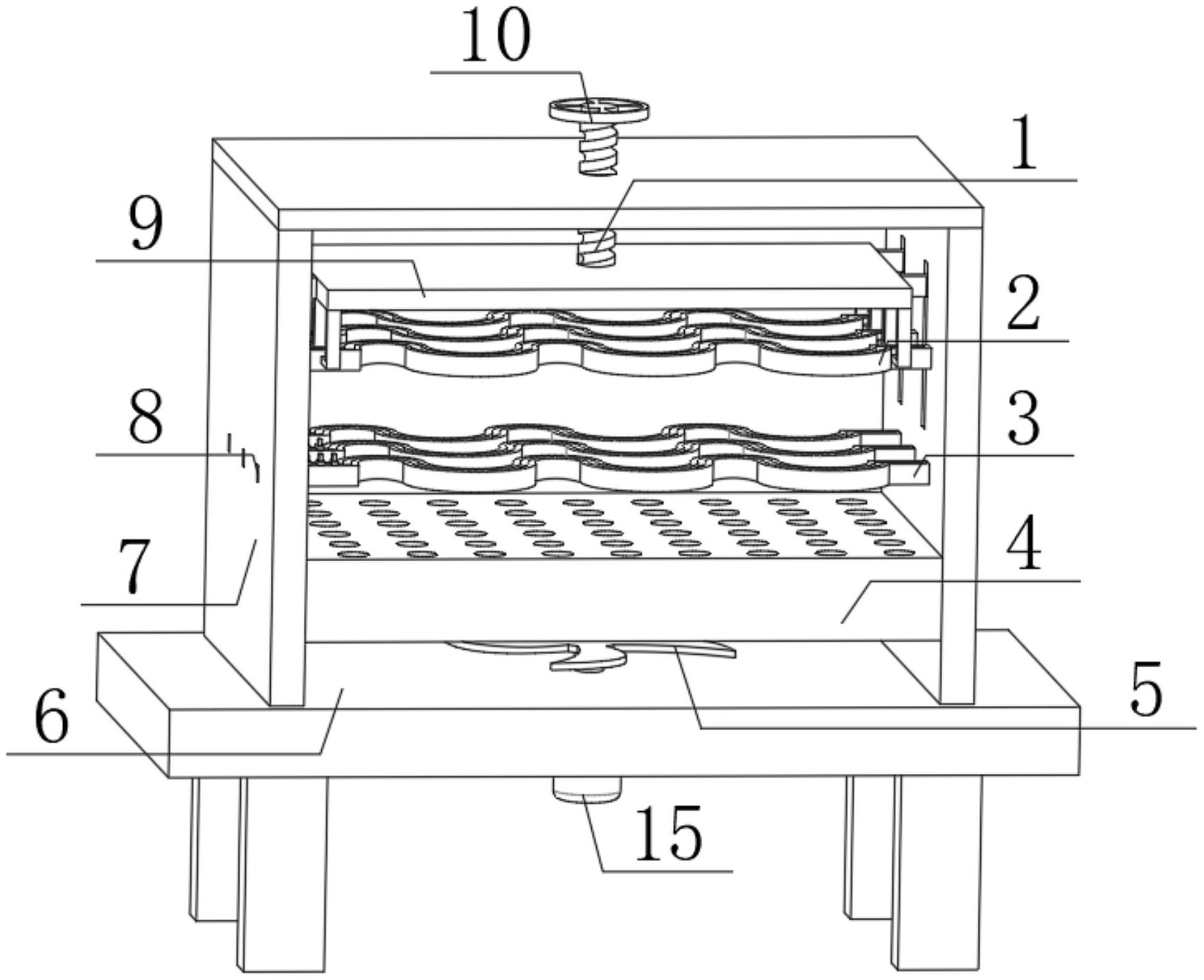
专利摘要:本实用新型涉及转换开关技术领域,公开一种隔离型转换开关,转换开关包括外壳,外壳上设有操作手柄,操作手柄上设有安装孔,安装孔的两端安装有手柄轴,安装孔内且位于两个手柄轴之间固定设有弹簧一,操作手柄的下方设有弧槽,弧槽内滑动设有连接杆,连接杆的下方固定设有动触头组件,动触头组件内安装有两个动触头,外壳内固定设有两个静触头组件。本实用新型通过单个弹簧二将两个动触头的位置锁紧,避免动触头轻易松动,在动触头与静触头连通时,弹簧二辅助压紧动触头,若在弧槽驱动动触头与静触头分离时,动触头与静触头及时分离,不易发生粘连,弧槽与连接杆滑动连接,传递过程无卡顿,操作流畅度高,装配操作简便,提高动触头的分段效率。

图片来源于网络,如有侵权,请联系删除
今年以来良信股份新获得专利授权194个,较去年同期增加了97.96%。结合公司2024年年报财务数据,2024年公司在研发方面投入了3.12亿元,同比增10.15%。

图片来源于网络,如有侵权,请联系删除
通过天眼查大数据分析,上海良信电器股份有限公司共对外投资了12家企业,参与招投标项目445次;财产线索方面有商标信息390条,专利信息2724条,著作权信息16条;此外企业还拥有行政许可85个。
数据来源:天眼查APP
以上内容为证券之星据公开信息整理,由AI算法生成(网信算备310104345710301240019号),不构成投资建议。
