川金诺获得实用新型专利授权:“高泡沫料浆湿法磷酸生产用低位闪冷处理装置”
作者:小微
发表于:2025年07月12日
浏览量:49784

图片来源于网络,如有侵权,请联系删除
证券之星消息,根据天眼查APP数据显示川金诺(300505)新获得一项实用新型专利授权,专利名为“高泡沫料浆湿法磷酸生产用低位闪冷处理装置”,专利申请号为CN202422643442.X,授权日为2025年7月11日。
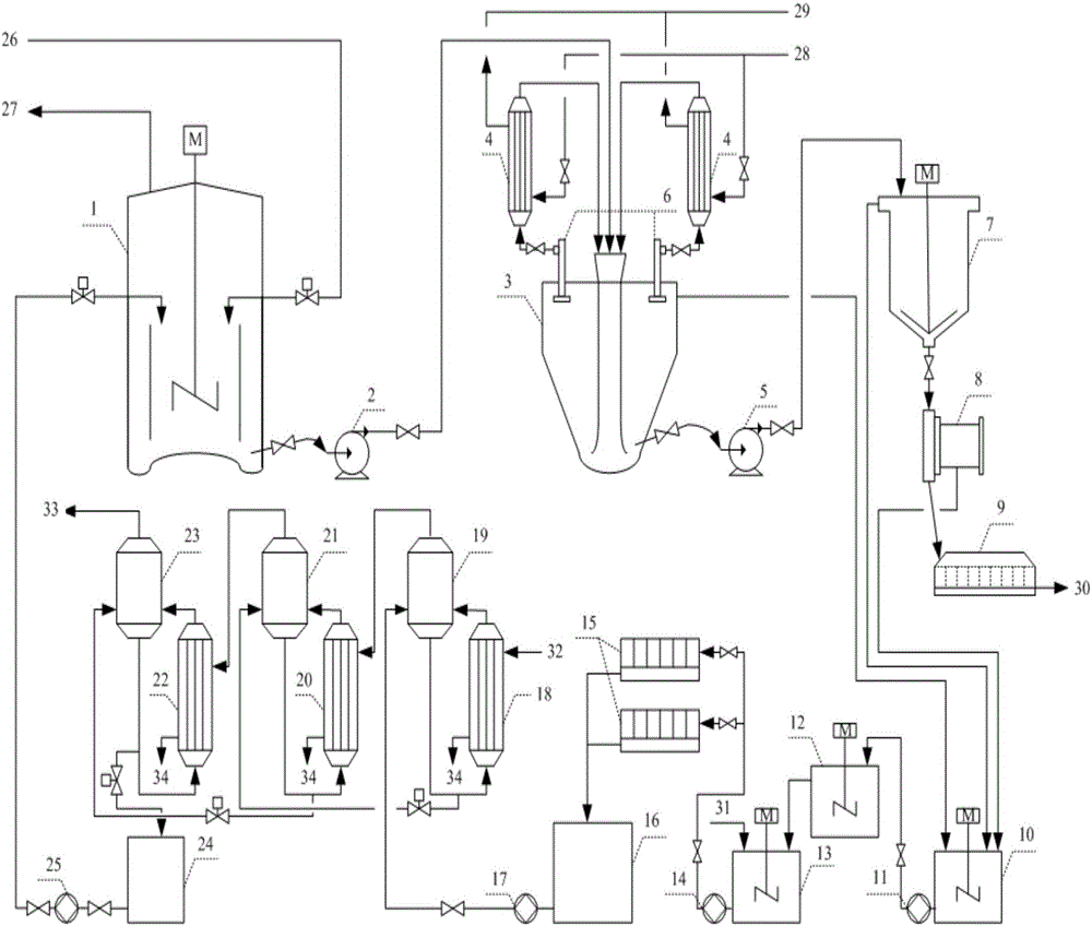
专利摘要:本实用新型公开了一种高泡沫料浆湿法磷酸生产用低位闪冷处理装置,包括萃取槽(1)、卧式循环泵(2)、设置在萃取槽上方的低位闪冷塔(3);所述低位闪冷塔为立式圆柱体主体,上端设置出气口(31)、中间设置进料口(32)、下端设置出液口(33);所述萃取槽(1)的底部开设出料口(11),所述卧式循环泵的入口端与出料口通过第一管道(4)连通,出口端与低位闪冷塔的进料口(31)通过第二管道(5)连通,所述第二管道上设置阀门(6),所述出液口连接第三管道(8)插入萃取槽;本实用新型降低了料浆冷却过程中循环料浆量的波动性,避免了因高泡沫料浆输送造成的气缚现象,保障了低位闪冷系统的运行和湿法磷酸的正常生产。

图片来源于网络,如有侵权,请联系删除
今年以来川金诺新获得专利授权1个,较去年同期减少了75%。结合公司2024年年报财务数据,2024年公司在研发方面投入了5054.18万元,同比增18.6%。

图片来源于网络,如有侵权,请联系删除
通过天眼查大数据分析,昆明川金诺化工股份有限公司共对外投资了4家企业,参与招投标项目22次;财产线索方面有商标信息4条,专利信息115条;此外企业还拥有行政许可30个。
数据来源:天眼查APP
以上内容为证券之星据公开信息整理,由AI算法生成(网信算备310104345710301240019号),不构成投资建议。
