中国广核获得发明专利授权:“反应堆冷却剂系统及其环路流量修正方法”
作者:小微
发表于:2025年07月29日
浏览量:73701

图片来源于网络,如有侵权,请联系删除
证券之星消息,根据天眼查APP数据显示中国广核(003816)新获得一项发明专利授权,专利名为“反应堆冷却剂系统及其环路流量修正方法”,专利申请号为CN202210158937.6,授权日为2025年7月29日。
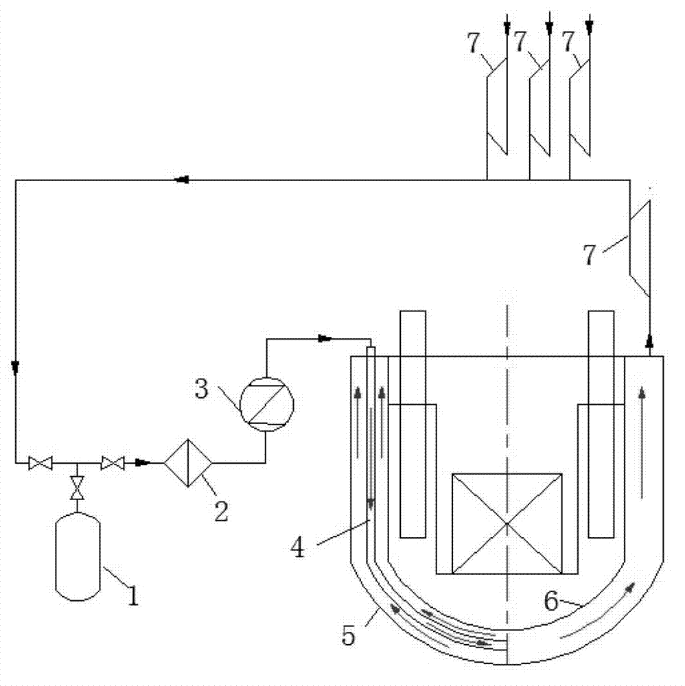
专利摘要:本发明公开了反应堆冷却剂系统及其环路流量修正方法,其中反应堆冷却剂系统包括若干环路单个环路包括压力容器、蒸汽发生器、主泵、以及连接在蒸汽发生器和主泵之间的通道管路;通道管路在蒸汽发生器的出口处设有弯管段,弯管段的外径处设有高压侧接口,其内径处设有若干低压侧接口;在每个通道管路上均设有用于测量对应通道管路内流量值的测量回路;测量回路包括连接于高压侧接口的测量主路、以及至少两条分别连接于测量主路的测量支路;每条测量支路上设有流量变送器;流量变送器一端接于测量主路,另一端连接低压侧接口;实现对反应堆冷却剂系统的环路流量的准确测量,防止流体对弯曲段的冲刷作用下导致测得的环路流量数据准确度降低。

图片来源于网络,如有侵权,请联系删除
今年以来中国广核新获得专利授权197个,较去年同期减少了41.37%。结合公司2024年年报财务数据,2024年公司在研发方面投入了24.43亿元,同比增0.96%。

图片来源于网络,如有侵权,请联系删除
通过天眼查大数据分析,中国广核电力股份有限公司共对外投资了31家企业,参与招投标项目368次;财产线索方面有专利信息7381条,著作权信息853条;此外企业还拥有行政许可14个。
数据来源:天眼查APP
以上内容为证券之星据公开信息整理,由AI算法生成(网信算备310104345710301240019号),不构成投资建议。
